注意:访问本站需要Cookie和JavaScript支持!请设置您的浏览器! 打开购物车 查看留言付款方式联系我们
初中电子 单片机教材一 单片机教材二
搜索上次看见的商品或文章:
商品名、介绍 文章名、内容
首页 电子入门 学单片机 免费资源 下载中心 商品列表 象棋在线 在线绘图 加盟五一 加入收藏 设为首页
本站推荐:
17. 99秒马表设计
文章长度[] 加入时间[2008/5/30] 更新时间[2025/10/7 0:38:20] 级别[0] [评论] [收藏]
 
1.             实验任务
(1.       开始时,显示“00”,第1次按下SP1后就开始计时。
(2.       第2次按SP1后,计时停止。
(3.       第3次按SP1后,计时归零。
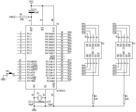
2.           电路原理图
图4.17.1
3.           系统板上硬件连线
(1.       把“单片机系统”区域中的P0.0/AD0-P0.7/AD7端口用8芯排线连接到“四路静态数码显示模块”区域中的任一个a-h端口上;要求:P0.0/AD0对应着a,P0.1/AD1对应着b,……,P0.7/AD7对应着h。
(2.       把“单片机系统”区域中的P2.0/A8-P2.7/A15端口用8芯排线连接到“四路静态数码显示模块”区域中的任一个a-h端口上;要求:P2.0/A8对应着a,P2.1/A9对应着b,……,P2.7/A15对应着h。
(3.       把“单片机系统“区域中的P3.5/T1用导线连接到”独立式键盘“区域中的SP1端口上;
4.           程序框
T0中断服务程序框

T0中断入口
TCNT加1
TCNT=400吗?
TCNT=0
SEC加1
SEC=100吗?
SEC=0
处理SEC并显示
中断返回
 


 

图4.17.2
5.           汇编源程序
TCNTA            EQU 30H
TCNTB           EQU 31H
SEC       EQU 32H
KEYCNT          EQU 33H
SP1       BIT P3.5
        ORG 00H
        LJMP START
           ORG 0BH
        LJMP INT_T0
START:    MOV KEYCNT,#00H
        MOV SEC,#00H
        MOV A,SEC
        MOV B,#10
        DIV AB
        MOV DPTR,#TABLE
        MOVC A,@A+DPTR
        MOV P0,A
        MOV A,B
        MOV DPTR,#TABLE
        MOVC A,@A+DPTR
        MOV P2,A
        MOV TMOD,#02H
        SETB ET0
        SETB EA
WT:       JB SP1,WT
        LCALL DELY10MS
        JB SP1,WT
        INC KEYCNT
        MOV A,KEYCNT
        CJNE A,#01H,KN1
        SETB TR0
        MOV TH0,#06H
        MOV TL0,#06H
        MOV TCNTA,#00H
        MOV TCNTB,#00H
        LJMP DKN
KN1:      CJNE A,#02H,KN2
        CLR TR0
        LJMP DKN
KN2:      CJNE A,#03H,DKN
        MOV SEC,#00H
        MOV A,SEC
        MOV B,#10
           DIV AB
        MOV DPTR,#TABLE
        MOVC A,@A+DPTR
        MOV P0,A
        MOV A,B
        MOV DPTR,#TABLE
        MOVC A,@A+DPTR
        MOV P2,A
        MOV KEYCNT,#00H
DKN:    JNB SP1,$
        LJMP WT
DELY10MS:
           MOV R6,#20
D1:        MOV R7,#248
        DJNZ R7,$
        DJNZ R6,D1
        RET
INT_T0:
        INC TCNTA
        MOV A,TCNTA
        CJNE A,#100,NEXT
        MOV TCNTA,#00H
        INC TCNTB
        MOV A,TCNTB
        CJNE A,#4,NEXT
        MOV TCNTB,#00H
        INC SEC
        MOV A,SEC
        CJNE A,#100,DONE
        MOV SEC,#00H
DONE:             MOV A,SEC
        MOV B,#10
        DIV AB
        MOV DPTR,#TABLE
        MOVC A,@A+DPTR
        MOV P0,A
        MOV A,B
        MOV DPTR,#TABLE
        MOVC A,@A+DPTR
        MOV P2,A
NEXT:   RETI
TABLE:  DB 3FH,06H,5BH,4FH,66H,6DH,7DH,07H,7FH,6FH
        END
6.           C语言源程序
#include <AT89X51.H>
unsigned char code dispcode[]={0x3f,0x06,0x5b,0x4f,
                               0x66,0x6d,0x7d,0x07,
                               0x7f,0x6f,0x77,0x7c,
                               0x39,0x5e,0x79,0x71,0x00};
unsigned char second;
unsigned char keycnt;
unsigned int tcnt;
void main(void)
{
  unsigned char i,j;
  TMOD=0x02;
  ET0=1;
  EA=1;
  second=0;
  P0=dispcode[second/10];
  P2=dispcode[second%10];
  while(1)
    {
      if(P3_5==0)
        {
          for(i=20;i>0;i--)
          for(j=248;j>0;j--);
          if(P3_5==0)
            {
              keycnt++;
              switch(keycnt)
                {
                  case 1:
                    TH0=0x06;
                    TL0=0x06;
                    TR0=1;
                    break;
                  case 2:
                    TR0=0;
                    break;
                  case 3:
                    keycnt=0;
                    second=0;
                    P0=dispcode[second/10];
                    P2=dispcode[second%10];
                    break;
                }
              while(P3_5==0);
            }
        }
    }
}
void t0(void) interrupt 1 using 0
{
  tcnt++;
  if(tcnt==400)
    {
      tcnt=0;
      second++;
      if(second==100)
        {
          second=0;
        }
      P0=dispcode[second/10];
      P2=dispcode[second%10];
    }
}
1、 本站不保证以上观点正确,就算是本站原创作品,本站也不保证内容正确。
2、如果您拥有本文版权,并且不想在本站转载,请书面通知本站立即删除并且向您公开道歉! 以上可能是本站收集或者转载的文章,本站可能没有文章中的元件或产品,如果您需要类似的商品请 点这里查看商品列表!
本站协议 | 版权信息 |  关于我们 |  本站地图 |  营业执照 |  发票说明 |  付款方式 |  联系方式
深圳市宝安区西乡五壹电子商行——粤ICP备16073394号-1;地址:深圳西乡河西四坊183号;邮编:518102
E-mail:51dz$163.com($改为@);Tel:(0755)27947428
工作时间:9:30-12:00和13:30-17:30和18:30-20:30,无人接听时可以再打手机13537585389